• Telefonische Beratung: +49 6806 982830
  • Frei Haus Versand nach DE ab 150 € Bestellwert
  • Über 14.000 Artikel im Sortiment

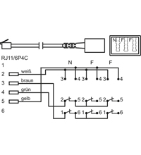
Telefonadapter RJ11 (6/4) Stecker an NFF Buchse, Good Connections®

Für Preisinformationen bitte .
Artikelnummer:
TAA-NFF
EAN:
4014619373543
Hersteller:
Good Connections
Hersteller Artikelnummer:
TAA-NFF
Artikel hinzugefügt am:
29.05.2020
Verfügbarkeit:

Im Außenlager lagernd

- Mit 0,2m Anschlusskabel - Zum Anschluss von analogen Endgeräten an RJ11 Buchsen mehr
Telefonadapter RJ11 (6/4) Stecker an NFF Buchse, Good Connections®
- Mit 0,2m Anschlusskabel
- Zum Anschluss von analogen Endgeräten an RJ11 Buchsen